Product Summary
The BLW85 is an NPN silicon RF power transistor. It is designed for Class C Amplifier Applications in VHF Mobile Radios.
Parametrics
BLW85 absolute maximum ratings: (1)IC: 9.0 A; (2)VCBO: 36 V; (3)VCEO: 16 V; (4)VEBO: 4.0 V; (5)PDISS: 105 W @ TC = 25 ℃; (6)TJ: -65 ℃ to +200 ℃; (7)TSTG: -65 ℃ to +150 ℃; (8)θJC: 1.6 ℃/W.
Features
BLW85 features: (1)PG = 9.5 dB Typ. at 40 W /175 MHz; (2)ηc = 60% Typ. at 40 W /175 MHz; (3)Omnigold Metalization System.
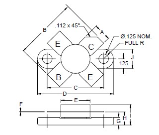
Diagrams

| Image | Part No | Mfg | Description | ![]() |
Pricing (USD) |
Quantity | ||||||||||||
|---|---|---|---|---|---|---|---|---|---|---|---|---|---|---|---|---|---|---|
![]() |
![]() BLW85 |
![]() Advanced Semiconductor, Inc. |
![]() Transistors RF Bipolar Power RF Transistor |
![]() Data Sheet |
![]()
|
|
||||||||||||
| Image | Part No | Mfg | Description | ![]() |
Pricing (USD) |
Quantity | ||||||||||||
![]() |
![]() BLW80 |
![]() Other |
![]() |
![]() Data Sheet |
![]() Negotiable |
|
||||||||||||
![]() |
![]() BLW81 |
![]() Other |
![]() |
![]() Data Sheet |
![]() Negotiable |
|
||||||||||||
![]() |
![]() BLW83 |
![]() Other |
![]() |
![]() Data Sheet |
![]() Negotiable |
|
||||||||||||
![]() |
![]() BLW85 |
![]() Advanced Semiconductor, Inc. |
![]() Transistors RF Bipolar Power RF Transistor |
![]() Data Sheet |
![]()
|
|
||||||||||||
![]() |
![]() BLW86 |
![]() Advanced Semiconductor, Inc. |
![]() Transistors RF Bipolar Power RF Transistor |
![]() Data Sheet |
![]()
|
|
||||||||||||
![]() |
![]() BLW87 |
![]() Other |
![]() |
![]() Data Sheet |
![]() Negotiable |
|
||||||||||||
(China (Mainland))









