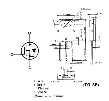
Product Summary
The 2SJ118 is a silicon P-channel MOSFET for high speed power switching.
Parametrics
2SJ118 absolute maximum ratings: (1)Drain source voltage: -140V; (2)Gate source voltage: ±20V; (3)Drain current: -8A; (4)Drain peak current: -12A; (5)Idr: -8A; (6)Pch: 100W; (7)Tch: 150℃; (8)Storage temperature: -55 to +150℃.
Features
2SJ118 features: (1)Low on-resistance; (2)High speed swicthing; (3)High cutoff frequency; (4)No secondary breakdown; (5)Suitable for switching regulator, DC-DC converter, PWM amplifiers and ultrasonic power oscillators.
Diagrams

![]() |
![]() 2SJ103 |
![]() Other |
![]() |
![]() Data Sheet |
![]() Negotiable |
|
||||
![]() |
![]() 2SJ104 |
![]() Other |
![]() |
![]() Data Sheet |
![]() Negotiable |
|
||||
![]() |
![]() 2SJ105 |
![]() Other |
![]() |
![]() Data Sheet |
![]() Negotiable |
|
||||
![]() |
![]() 2SJ106 |
![]() Other |
![]() |
![]() Data Sheet |
![]() Negotiable |
|
||||
![]() |
![]() 2SJ107 |
![]() Other |
![]() |
![]() Data Sheet |
![]() Negotiable |
|
||||
![]() |
![]() 2SJ108 |
![]() Other |
![]() |
![]() Data Sheet |
![]() Negotiable |
|
||||
(China (Mainland))








