Product Summary
The JS1-24V is an ultra-miniature PC board type power relay. The applications of the JS1-24V include Home appliances Air conditioner, heater, Automotive Power-window, car antenna, door-lock, Office machines PPC, facsimile, Vending machines.
Parametrics
JS1-24V absolute maximum ratings: (1)Max. operating speed: 20 cpm; (2)Initial insulation resistance: Min. 100 MW (at 500 V DC); (3)Initial breakdown voltage: Between open contacts 750 Vrms for 1 min, Between contacts and coil 1,500 Vrms for 1 min; (4)Operate time (at nominal voltage): Approx. 10 ms; (5)Release time(without diode) (at nominal voltage): Approx. 10 ms; (6)Temperature rise (at nominal voltage): Max. 35 ℃; (7)Shock resistance: Functional Min. 98 m/s2 {10 G}, Destructive Min. 980 m/s2 {100 G}; (8)Vibration resistance: Functional: Approx. 98 m/s2 {10 G},; (9)10 to 55 Hz at double amplitude of 1.6 mm, Destructive: Approx. 117.6 m/s2 {12 G}, 10 to 55 Hz at double amplitude of 2 mm; (10)Conditions for operation, transport and storage (Not freezing and condensing at low temperature): –40 ℃ to +85 ℃.
Features
JS1-24V features: (1)Ultra-miniature size with universal terminal footprint; (2)High contact capacity: 10 A; (3)Class B coil insulation type available; (4)TV-5 type available: 1 Form A type → TV-5, 1 Form C type → TV-5 (N.O. side only); (5)VDE, TUV also approved; (6)Sealed construction for automatic cleaning.
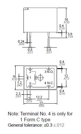
Diagrams

| Image | Part No | Mfg | Description |  | Pricing (USD) | Quantity | ||||||||||||
|---|---|---|---|---|---|---|---|---|---|---|---|---|---|---|---|---|---|---|
|  |  JS1-24V |  Panasonic Electric Works |  General Purpose / Industrial Relays 10A 24VDC SPDT SEALED PCB |  Data Sheet |  Negotiable |  | ||||||||||||
|  |  JS1-24V-F |  Panasonic Electric Works |  General Purpose / Industrial Relays 10A 24VDC SPDT SEALED PCB |  Data Sheet |  
 |  | ||||||||||||
|  |  JS1-24V-TV |  Panasonic Electric Works |  General Purpose / Industrial Relays 10A 24VDC SEALED PCB RELAY POWER |  Data Sheet |  
 |  | ||||||||||||
|  |  JS1-24V-Y2 |  Panasonic Electric Works |  General Purpose / Industrial Relays JS Relay (Y2 Rating) |  Data Sheet |  
 |  | ||||||||||||
|  |  JS1-24V-FT |  Panasonic Electric Works |  General Purpose / Industrial Relays JS Relay |  Data Sheet |  
 |  | ||||||||||||
|  |  JS1-24V-TV-F |  Panasonic Electric Works |  General Purpose / Industrial Relays 10A 24VDC SEALED PCB RELAY POWER |  Data Sheet |  Negotiable |  | ||||||||||||
|  |  JS1-24V-Y3 |  Panasonic Electric Works |  General Purpose / Industrial Relays JS Relay (Y3 rating) |  Data Sheet |  
 |  | ||||||||||||
 (China (Mainland))
 (China (Mainland)) 
                         
                        
 
                                    




