Product Summary
The BLW83 is a N-P-N silicon planar epitaxial transistor for use in transmitting amplifiers operating in the h.f. and v.h.f. bands, with a nominal supply voltage of 28 V. The BLW83 is specified for s.s.b. applications as linear amplifier in class-A and AB. The device is resistance stabilized and is guaranteed to withstand severe load mismatch conditions. Matched hFE groups are available on request. It has a 3/8" flange envelope with a ceramic cap. All leads are isolated from the flange.
Parametrics
BLW83 absolute maximum ratings: (1)Collector-emitter voltage (VBE = 0) peak value: max. 65 V; (2)Collector-emitter voltage (open base): max. 36 V; (3)Emitter-base voltage (open-collector): max. 4 V; (4)Collector current (average): max. 4 A; (5)Collector current (peak value); f > 1 MHz: max. 12 A; (6)R.F. power dissipation (f > 1 MHz); Tmb = 25 ℃: max. 105 W; (7)Storage temperature: -65 to +150 ℃; (8)Operating junction temperature: max. 200 ℃.
Features
BLW83 characteristics: (1)Collector-emitter breakdown voltage, VBE = 0; IC = 25 mA: V(BR)CES > 65 V; (2)Collector-emitter breakdown voltage, open base; IC = 100 mA: V(BR)CEO > 36 V; (3)Emitter-base breakdown voltage, open collector; IE = 10 mA: V(BR)EBO > 4 V; (4)Collector cut-off current, VBE = 0; VCE = 36: V ICES < 10 mA; (5)Second breakdown energy; L = 25 mH; f = 50 Hz, open base: ESBO > 8 mJ, RBE = 10 W: ESBR > 8 mJ; (6)D.C. current gain: IC = 2,5 A; VCE = 5 V: typ. 50.
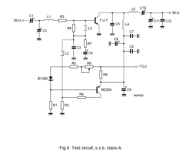
Diagrams

| Image | Part No | Mfg | Description | ![]() |
Pricing (USD) |
Quantity | ||||||||||||
|---|---|---|---|---|---|---|---|---|---|---|---|---|---|---|---|---|---|---|
![]() |
![]() BLW83 |
![]() Other |
![]() |
![]() Data Sheet |
![]() Negotiable |
|
||||||||||||
| Image | Part No | Mfg | Description | ![]() |
Pricing (USD) |
Quantity | ||||||||||||
![]() |
![]() BLW80 |
![]() Other |
![]() |
![]() Data Sheet |
![]() Negotiable |
|
||||||||||||
![]() |
![]() BLW83 |
![]() Other |
![]() |
![]() Data Sheet |
![]() Negotiable |
|
||||||||||||
![]() |
![]() BLW86 |
![]() Advanced Semiconductor, Inc. |
![]() Transistors RF Bipolar Power RF Transistor |
![]() Data Sheet |
![]()
|
|
||||||||||||
![]() |
![]() BLW87 |
![]() Other |
![]() |
![]() Data Sheet |
![]() Negotiable |
|
||||||||||||
![]() |
![]() BLW898 |
![]() Other |
![]() |
![]() Data Sheet |
![]() Negotiable |
|
||||||||||||
![]() |
![]() BLW85 |
![]() Advanced Semiconductor, Inc. |
![]() Transistors RF Bipolar Power RF Transistor |
![]() Data Sheet |
![]()
|
|
||||||||||||
(China (Mainland))









