Product Summary
The G6RL-1 is a Low-profile power relay with maximum switching of 10 A. The applications of the G6RL-1 include Boilers, PLCs, I/O ports, timers, and temperature controllers
Parametrics
G6RL-1 absolute maximum ratings: (1)Contact resistance: 100 mΩ max; (2)Operate time: 10 ms max. (SR Models: 15 ms max.); (3)Release time: 5 ms max.; (4)Insulation resistance: 1,000 MΩ min. (at 500 VDC); (5)Dielectric strength: 5,000 VAC, 50/60 Hz for 1 min between coil and contacts, 1,000 VAC, 50/60 Hz for 1 min between contacts of same polarity; (6)Impulse withstand voltage: 10 kV between coil and contacts (1.2 × 50 μs); (7)Vibration resistance: Destruction: 10 to 55 to 10 Hz, 1.5-mm double amplitude, Malfunction: 10 to 55 to 10 Hz, 0.825-mm single amplitude (1.65-mm double amplitude) when energized.; (8)10 to 55 to 10 Hz, 0.4-mm single amplitude (0.8-mm double amplitude) when not energized; (9)Shock resistance: Destruction: 1,000 m/s2.
Features
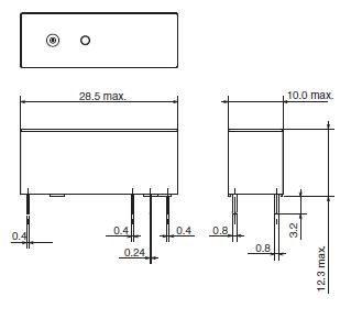
G6RL-1 features: (1)Low profile: 12.3 mm in height; (2)Max. switching capacity: 2,500 VA (NO); (3)IEC 60947-5-1, AC-15, DC13; (4)Clearance and creepage distance: 10 mm; (5)Models with high shock resistance (250 m/s2) are available.; (6)Models for P1 load (2×200 W lamps parallel to ignition transformer) are available.; (7)RoHS Compliant.
Diagrams

| Image | Part No | Mfg | Description |  | Pricing (USD) | Quantity | ||||||||||||||||||
|---|---|---|---|---|---|---|---|---|---|---|---|---|---|---|---|---|---|---|---|---|---|---|---|---|
|  |  G6RL-1 DC12 |  |  RELAY GEN PURPOSE SPDT 8A 12V |  Data Sheet |  
 |  | ||||||||||||||||||
|  |  G6RL-1 DC24 |  Omron Electronics |  General Purpose / Industrial Relays 10A Switching SPDT Low Profile 24VDC |  Data Sheet |  
 |  | ||||||||||||||||||
|  |  G6RL-1 DC3 |  |  RELAY GENERAL PURPOSE SPDT 8A 3V |  Data Sheet |  
 |  | ||||||||||||||||||
|  |  G6RL-1 DC48 |  |  RELAY GEN PURPOSE SPDT 8A 48V |  Data Sheet |  
 |  | ||||||||||||||||||
|  |  G6RL-1 DC5 |  Omron Electronics |  General Purpose / Industrial Relays 10A Switching SPDT Low Profile 5VDC |  Data Sheet |  
 |  | ||||||||||||||||||
|  |  G6RL-1 DC6 |  Omron Electronics |  General Purpose / Industrial Relays 10A Switching SPDT Low Profile 6VDC |  Data Sheet |  
 |  | ||||||||||||||||||
|  |  G6RL-1 DC9 |  Omron Electronics |  General Purpose / Industrial Relays Power PCB Relay |  Data Sheet |  
 |  | ||||||||||||||||||
|  |  G6RL-14-ASI DC12 |  Omron Electronics |  General Purpose / Industrial Relays SPDT 12VDC Sealed AgSnIn Contact |  Data Sheet |  
 |  | ||||||||||||||||||
 (China (Mainland))
 (China (Mainland)) 
                         
                        
 
                                    




