Product Summary
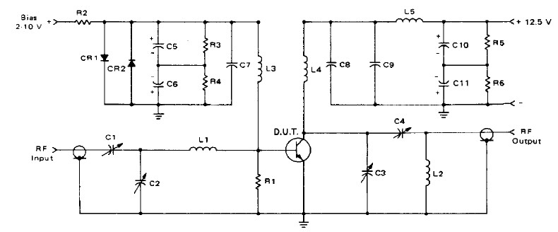
The MRF433 is a silicon rf power transistor. It is designed primarily for application as complementary symmetry amplifiers in linear amplifiers from 2.0 to 30MHz.
Parametrics
MRF433 absolute maximum ratings: (1)Collector–Emitter Voltage VCEO: 18 Vdc; (2)Collector–Base Voltage VCBO: 36 Vdc; (3)Emitter–Base Voltage VEBO: 4.0 Vdc; (4)Collector Current Continuous IC: 2.5 Adc; (5)Total Device Dissipation @ TC = 25℃ PD: 20Watts; Derate above 25℃: 114W/℃; (6)Storage Temperature Range Tstg: –65 to +150 ℃.
Features
MRF433 features: (1)Specified 12.5 Volt, 30 MHz Characteristics. Output Power = 12.5 W(PEP). Minimum Gain = 20 dB. Efficiency = 50%; (2)Intermodulation Distortion @ 12.5 W (PEP). IMD = -30 dB (Max).
Diagrams

![]() |
![]() MRF403 |
![]() |
![]() SW ROTARY 4P 2-3POS PC |
![]() Data Sheet |
![]()
|
|
||||||||||||||||||||||
![]() |
![]() MRF403-RO |
![]() NKK Switches |
![]() Rotary Switches LO PROF SHFT 2-3 POS |
![]() Data Sheet |
![]()
|
|
||||||||||||||||||||||
![]() |
![]() MRF406 |
![]() Other |
![]() |
![]() Data Sheet |
![]() Negotiable |
|
||||||||||||||||||||||
![]() |
![]() MRF412 |
![]() Other |
![]() |
![]() Data Sheet |
![]() Negotiable |
|
||||||||||||||||||||||
![]() |
![]() MRF421 |
![]() Other |
![]() |
![]() Data Sheet |
![]() Negotiable |
|
||||||||||||||||||||||
![]() |
![]() MRF422 |
![]() M/A-COM Technology Solutions |
![]() Transistors RF Bipolar Power 2-30MHz 150Watts 28Volt Gain 10dB |
![]() Data Sheet |
![]()
|
|
||||||||||||||||||||||
(China (Mainland))











