Product Summary
The PS9701 is an optically coupled isolator containing a GaAlAs LED on light emitting side (input side) and a photodiode and a signal processing circuit on light receiving side (output side) on one chip. This is SOP (Small Outline Package) type for high-density applications. The applications of the PS9701 include Computer and peripheral manufactures, Measurement equipment, Audio-Visual.
Parametrics
PS9701 absolute maximum ratings: (1)Diode Forward Current: 30 mA; (2)Reverse Voltage: 5 V; (3)Detector Supply Voltage: 7 V; (4)Output Voltage: 7 V; (5)Output Current: 50 mA; (6)Power Dissipation: 85 mW; (7)Isolation Voltage: 2 500 Vr.m.s.; (8)Operating Ambient Temperature: –40 to +85 ℃; (9)Storage Temperature: –55 to +125 ℃.
Features
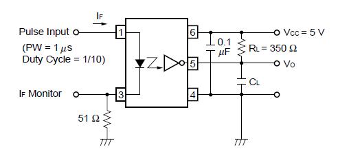
PS9701 features: (1)High isolation voltage (BV = 2 500 Vr.m.s.); (2)Small and thin package (5-pin SOP); (3)High-speed response (tPHL = 36 ns TYP., tPLH = 60 ns TYP.); (4)Low threshold input current (IFHL = 2.5 mA TYP.); (5)Open-collector type; (6)Ordering number of taping product: PS9701-1-E3, E4, F3, F4; (7)UL approved: File No. E72422 (S); (8)VDE0884 approved (Option).
Diagrams

| Image | Part No | Mfg | Description | ![]() |
Pricing (USD) |
Quantity | ||||
|---|---|---|---|---|---|---|---|---|---|---|
![]() |
![]() PS9701-F3 |
![]() CEL |
![]() High Speed Optocouplers Hi-Speed Digital Out |
![]() Data Sheet |
![]() Negotiable |
|
||||
![]() |
![]() PS9701 |
![]() CEL |
![]() High Speed Optocouplers RO 551-PS9114 8/04 |
![]() Data Sheet |
![]() Negotiable |
|
||||
(China (Mainland))










