Product Summary
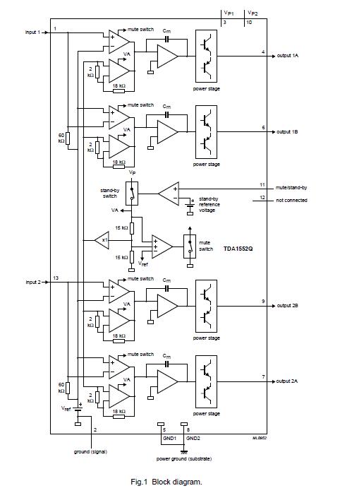
The TDA1552Q is an integrated class-B output amplifier in a 13-lead single-in-line (SIL) plastic power package. The circuit contains 2 x 22 W amplifiers in Bridge Tied Load (BTL) configuration. The TDA1552Q is primarily developed for car radio applications.
Parametrics
TDA1552Q absolute maximum ratings: (1)Supply voltage: operating: 18 V, non-operating: 30 V, load dump protected: 45 V; (2)Non-repetitive peak output current: 6 A; (3)Repetitive peak output current: 4 A; (4)Storage temperature range: -55 to +150 ℃; (5)Junction temperature: 150 ℃; (6)AC and DC short-circuit-safe voltage: 18 V; (7)Energy handling capability at outputs: 200 mJ; (8)Reverse polarity: 6 V; (9)Total power dissipation: 60 W.
Features
TDA1552Q features: (1)Requires very few external components; (2)High output power; (3)Low offset voltage at outputs; (4)Fixed gain; (5)Good ripple rejection; (6)Mute/stand-by switch; (7)Load dump protection; (8)AC and DC short-circuit-safe to ground and VP; (9)Thermally protected; (10)Reverse polarity safe; (11)Capability to handle high energy on outputs (VP = 0 V); (12)Protected against electrostatic discharge; (13)No switch-on/switch-off plop; (14)Low thermal resistance; (15)Flexible leads.
Diagrams

| Image | Part No | Mfg | Description | ![]() |
Pricing (USD) |
Quantity | ||||
|---|---|---|---|---|---|---|---|---|---|---|
![]() |
![]() TDA1552Q |
![]() Other |
![]() |
![]() Data Sheet |
![]() Negotiable |
|
||||
![]() |
![]() TDA1552Q/N4,112 |
![]() NXP Semiconductors |
![]() Audio Amplifiers 2 X22W BTL PWR AMP PWR AMP |
![]() Data Sheet |
![]() Negotiable |
|
||||
(China (Mainland))










