Product Summary
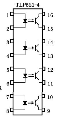
The TLP521-4 is a programmable controller. It consists of a photo-transistor optically coupled to a gallium arsenide infrared emitting diode. The TLP521-4 offers two isolated channels in an eight lead plastic DIP package, while the provides four isolated channels in a sixteen plastic DIP package.
Parametrics
TLP521-4 absolute maximum ratings: (1)forward current: 50 mA; (2)forward current derating: -0.5 (Ta≥25℃) mA/℃; (3)pulse forward current: 1 (100 pulse, 100 pps) A; (4)reverse voltage: 5 V; (5)junction temperature: 125 ℃; (6)collector-emitter voltage: 55 V; (7)emitter-collector voltage: 7 V; (8)collector current: 50 mA; (9)collector power dissipation: 100 mW; (10)storage temperature: -55 to 125 ℃; (11)operating temperature: -55 to 100 ℃; (12)lead soldering temperature: 260 ℃.
Features
TLP521-4 features: (1)collector-emitter voltage: 55 V (min); (2)current transfer ratio: 50 % (min); (3)rank GB: 100 % (min); (4)isolation voltage: 2500 Vrms (min); (5)UL recognized: made in Japan: UL1577, file NO. E67349, made in Thailand: UL1577, file NO. E152349.
Diagrams

| Image | Part No | Mfg | Description | ![]() |
Pricing (USD) |
Quantity | ||||
|---|---|---|---|---|---|---|---|---|---|---|
![]() |
![]() TLP521-4 |
![]() Other |
![]() |
![]() Data Sheet |
![]() Negotiable |
|
||||
![]() |
![]() TLP521-4GB |
![]() Other |
![]() |
![]() Data Sheet |
![]() Negotiable |
|
||||
(China (Mainland))









