Product Summary
The 203CNQ100 is a center tap Schottky rectifier. It has been optimized for low reverse leakage at high temperature. The proprietary barrier technology allows for reliable operation up to 175 ℃ junction temperature. Typical applications of the 203CNQ100 are in high current switching power supplies, plating power supplies, UPS systems, converters, free-wheeling diodes, welding, and reverse battery protection.
Parametrics
203CNQ100 absolute maximum ratings: (1)IF(AV) Max. Average Forward (Per Leg): 100 A; Current (Per Device): 200 A; (2)IFSM Max. Peak One Cycle Non-Repetitive: 16,000 A; Surge Current (Per Leg): 2,100 A; (3)EAS Non-Repetitive Avalanche Energy(Per Leg): 15 mJ; (4)IAR Repetitive Avalanche Current(Per Leg): 1 A.
Features
203CNQ100 features: (1)175 ℃ TJ operation; (2)Center tap module; (3)High purity, high temperature epoxy encapsulation for enhanced mechanical strength and moisture resistance; (4)Low forward voltage drop; (5)High frequency operation; (6)Guard ring for enhanced ruggedness and long term reliability.
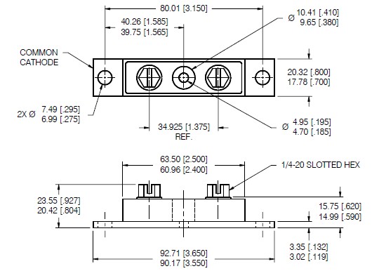
Diagrams

| Image | Part No | Mfg | Description | ![]() |
Pricing (USD) |
Quantity | ||||
|---|---|---|---|---|---|---|---|---|---|---|
![]() |
![]() 203CNQ100 |
![]() |
![]() DIODE SCHOTTKY 100V 100A TO244AB |
![]() Data Sheet |
![]() Negotiable |
|
||||
![]() |
![]() 203CNQ100PbF |
![]() Other |
![]() |
![]() Data Sheet |
![]() Negotiable |
|
||||
![]() |
![]() 203CNQ100R |
![]() |
![]() DIODE SCHOTTKY 100V 100A TO244AB |
![]() Data Sheet |
![]() Negotiable |
|
||||
(China (Mainland))









