Product Summary
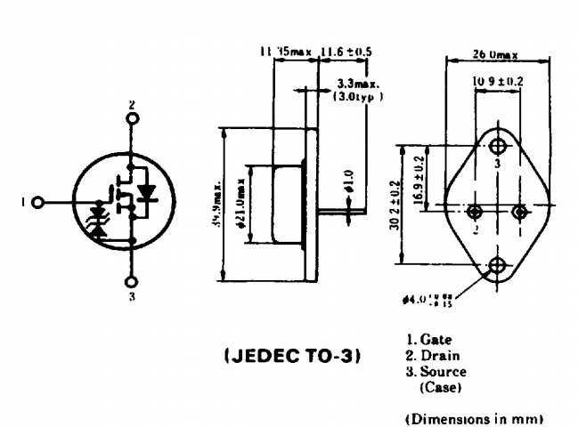
The 2SJ55 is a kind of low frequency power amplifier with silicon P-channel MOSFET, and it is complementary pair with 2SK175.
Parametrics
2SJ55 absolute maximum ratings: (1)Drain to source voltage VDSS: -180 V; (2)Gate to source voltage VGSS: ±20 V; (3)Drain current ID:- 8 A; (4) 8Body to drain diode reverse drain current IDR: -8 A; (5)Channel dissipation Pch: 125 W; (7)Channel temperature Tch: 150 ℃; (8)Storage temperature Tstg: –55 to +150 ℃.
Features
2SJ55 features: (1)High power gain; (2)Excellent frequency response; (3)HIgh speed switching; (4)Wide area of safe operation; (5)Enhancement-mode; (6)Good complementary characteristics; (7)Equipped with Gate protection diodes.
Diagrams

| Image | Part No | Mfg | Description | ![]() |
Pricing (USD) |
Quantity | ||||
|---|---|---|---|---|---|---|---|---|---|---|
![]() |
![]() 2SJ550 |
![]() Other |
![]() |
![]() Data Sheet |
![]() Negotiable |
|
||||
![]() |
![]() 2SJ550(L) |
![]() Other |
![]() |
![]() Data Sheet |
![]() Negotiable |
|
||||
![]() |
![]() 2SJ550(S) |
![]() Other |
![]() |
![]() Data Sheet |
![]() Negotiable |
|
||||
![]() |
![]() 2SJ551 |
![]() Other |
![]() |
![]() Data Sheet |
![]() Negotiable |
|
||||
![]() |
![]() 2SJ551(L) |
![]() Other |
![]() |
![]() Data Sheet |
![]() Negotiable |
|
||||
![]() |
![]() 2SJ551(S) |
![]() Other |
![]() |
![]() Data Sheet |
![]() Negotiable |
|
||||
![]() |
![]() 2SJ552 |
![]() Other |
![]() |
![]() Data Sheet |
![]() Negotiable |
|
||||
![]() |
![]() 2SJ552(L) |
![]() Other |
![]() |
![]() Data Sheet |
![]() Negotiable |
|
||||
(China (Mainland))









