Product Summary
The 2SK60 is a Silicon N-Channel MOS FET for switching.
Parametrics
2SK60 absolute maximum ratings: (1)Drain to Source voltage, VDS: 80V; (2)Gate to Source voltage, VGSO: 20V; (3)Drain current, ID: ±0.5A; (4)Max drain current, IDP: ±1A; (5)Allowable power dissipation, PD: 1W; (6)Channel temperature, Tch: 150℃; (7)Storage temperature, Tstg: -55 to 150℃.
Features
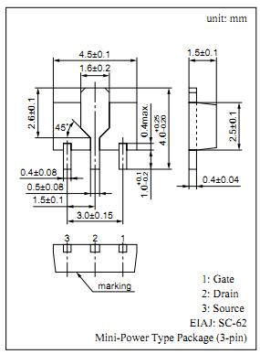
2SK60 features: (1)Low ON-resistance RDS(on); (2)High-speed switching; (3)Allowing to be driven directly by CMOS and TTL; (4)Mini-power type package, allowing downsizing of the sets and automatic insertion through the tape/magazine packing.
Diagrams

| Image | Part No | Mfg | Description | ![]() |
Pricing (USD) |
Quantity | ||||
|---|---|---|---|---|---|---|---|---|---|---|
![]() |
![]() 2SK601 |
![]() Other |
![]() |
![]() Data Sheet |
![]() Negotiable |
|
||||
| Image | Part No | Mfg | Description | ![]() |
Pricing (USD) |
Quantity | ||||
![]() |
![]() 2SK601 |
![]() Other |
![]() |
![]() Data Sheet |
![]() Negotiable |
|
||||
![]() |
![]() 2SK669-AC |
![]() |
![]() MOSFET N-CH 50V 100MA 3SPA |
![]() Data Sheet |
![]() Negotiable |
|
||||
![]() |
![]() 2SK681A |
![]() Other |
![]() |
![]() Data Sheet |
![]() Negotiable |
|
||||
![]() |
![]() 2SK681 |
![]() Other |
![]() |
![]() Data Sheet |
![]() Negotiable |
|
||||
![]() |
![]() 2SK680A-T1 |
![]() Other |
![]() |
![]() Data Sheet |
![]() Negotiable |
|
||||
![]() |
![]() 2SK680A |
![]() Other |
![]() |
![]() Data Sheet |
![]() Negotiable |
|
||||
(China (Mainland))










