Product Summary
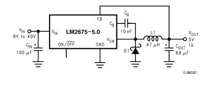
The LM2675MX series of regulators are monolithic integrated circuits built with a LMDMOS process. These regulators provide all the active functions for a step-down (buck) switching regulator, capable of driving a 1A load current with excellent line and load regulation. The LM2675MX are available in fixed output voltages of 3.3V, 5.0V, 12V, and an adjustable output version. Requiring a minimum number of external components, these regulators are simple to use and include patented internal frequency compensation(Patent Nos. 5,382,918 and 5,514,947) and a fixed frequency oscillator.The LM2675MX series operates at a switching frequency of 260 kHz, thus allowing smaller sized filter components than what would be needed with lower frequency switching regulators. Because of its very high efficiency (>90%), the copper traces on the printed circuit board are the only heat sinking needed.
Parametrics
LM2675MX absolute maximum ratings: (1)Supply Voltage: 45V; (2)ON/OFF Pin Voltage: -0.1V ≤ VSH ≤ 6V; (3)Switch Voltage to Ground: -1V; (4)Boost Pin Voltage, VSW + 8V; (5)Feedback Pin Voltage: -0.3V ≤ VFB ≤ 14V; (6)ESD Susceptibility, Human Body Model: 2 kV; (7)Power Dissipation, Internally Limited; (8)Storage Temperature Range -65℃ to +150℃; (9)Lead Temperature, M Package, Vapor Phase (60s): +215℃; Infrared (15s) +220℃; N Package (Soldering, 10s): +260℃; (10)LLP Package (See AN-1187), Maximum Junction Temperature +150℃.
Features
LM2675MX features: (1)Efficiency up to 96%; (2)Available in SO-8, 8-pin DIP and LLP packages; (3)Computer Design Software LM267X Made Simple (version 6.0); (4)Simple and easy to design with; (5)Requires only 5 external components; (6)Uses readily available standard inductors; (7)3.3V, 5.0V, 12V, and adjustable output versions; (8)Adjustable version output voltage range: 1.21V to 37V; (9)±1.5% max output voltage tolerance over line and load conditions; (10)Guaranteed 1A output load current; (11)0.25Ω DMOS Output Switch; (12)Wide input voltage range: 8V to 40V; (13)260 kHz fixed frequency internal oscillator; (14)TTL shutdown capability, low power standby mode; (15)Thermal shutdown and current limit protection.
Diagrams

| Image | Part No | Mfg | Description | ![]() |
Pricing (USD) |
Quantity | ||||||||||||
|---|---|---|---|---|---|---|---|---|---|---|---|---|---|---|---|---|---|---|
![]() |
![]() LM2675MX-12 |
![]() National Semiconductor (TI) |
![]() Switching Converters, Regulators & Controllers |
![]() Data Sheet |
![]()
|
|
||||||||||||
![]() |
![]() LM2675MX-12/NOPB |
![]() National Semiconductor (TI) |
![]() Switching Converters, Regulators & Controllers |
![]() Data Sheet |
![]()
|
|
||||||||||||
![]() |
![]() LM2675MX-3.3/NOPB |
![]() National Semiconductor (TI) |
![]() Switching Converters, Regulators & Controllers |
![]() Data Sheet |
![]()
|
|
||||||||||||
![]() |
![]() LM2675MX-5.0/NOPB |
![]() National Semiconductor (TI) |
![]() Switching Converters, Regulators & Controllers HIGH EFF 1A STEP- DOWN VLTG REG |
![]() Data Sheet |
![]()
|
|
||||||||||||
![]() |
![]() LM2675MX-5.0 |
![]() National Semiconductor (TI) |
![]() Switching Converters, Regulators & Controllers |
![]() Data Sheet |
![]()
|
|
||||||||||||
![]() |
![]() LM2675MX-3.3 |
![]() National Semiconductor (TI) |
![]() Switching Converters, Regulators & Controllers |
![]() Data Sheet |
![]()
|
|
||||||||||||
![]() |
![]() LM2675MX-ADJ/NOPB |
![]() National Semiconductor (TI) |
![]() Switching Converters, Regulators & Controllers HIGH EFF 1A STEP- DOWN VLTG REG |
![]() Data Sheet |
![]()
|
|
||||||||||||
![]() |
![]() LM2675MX-ADJ |
![]() National Semiconductor (TI) |
![]() Switching Converters, Regulators & Controllers |
![]() Data Sheet |
![]()
|
|
||||||||||||
(China (Mainland))










