Product Summary
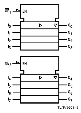
The 54F244DMQB is an octal buffer and line driver. It is designed to be employed as memory and address drivers, clock drivers and bus-oriented transmitters/receivers which provides improved PC and board density.
Parametrics
54F244DMQB absolute maximum ratings: (1)Storage Temperature: -65℃ to +150℃; (2)Amaient Temperature under Bias: -55℃ to +125℃; (3)Junction Temperature under Bias: -55℃ to +175℃; Plastic: -55℃ to +150℃; (4)VCC Pin Potential to Ground Pin: -0.5V to +7.0V; (5)Input Voltage: -0.5V to +7.0V; (6)Input Current: -30 mA to +5.0 mA; (7)Voltage Applied to Output in HIGH State (with VCC = 0V)Standard Output: -0.5V to VCC; TRI-STATE Output -0.5V to +5.5V; (8)Current Applied to Output in LOW State (Max): twice the rated IOL (mA); (9)ESD Last Passing Voltage (Min): 4000V.
Features
54F244DMQB features: (1)TRI-STATE outputs drive bus lines or buffer memory address registers; (2)Outputs sink 64 mA (48 mA mil); (3)12 mA source current; (4)Input clamp diodes limit high-speed termination effects; (5)Guaranteed 4000V minimum ESD protection.
Diagrams

![]() |
![]() 54F20 |
![]() Other |
![]() |
![]() Data Sheet |
![]() Negotiable |
|
||||
![]() |
![]() 54F219 |
![]() Other |
![]() |
![]() Data Sheet |
![]() Negotiable |
|
||||
![]() |
![]() 54F2244 |
![]() Other |
![]() |
![]() Data Sheet |
![]() Negotiable |
|
||||
![]() |
![]() 54F240 |
![]() Other |
![]() |
![]() Data Sheet |
![]() Negotiable |
|
||||
![]() |
![]() 54F241 |
![]() Other |
![]() |
![]() Data Sheet |
![]() Negotiable |
|
||||
![]() |
![]() 54F243 |
![]() Other |
![]() |
![]() Data Sheet |
![]() Negotiable |
|
||||
(China (Mainland))








